Ethernet cables, Model 941

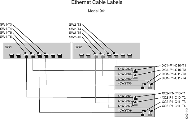
Use the point-to-point cabling diagram below to route Ethernet cables in a Model 941.

Figure 1. Ethernet cable labels
Ethernet cable labels