Ethernet cables (Model 983)
Section-1 - Ethernet cables


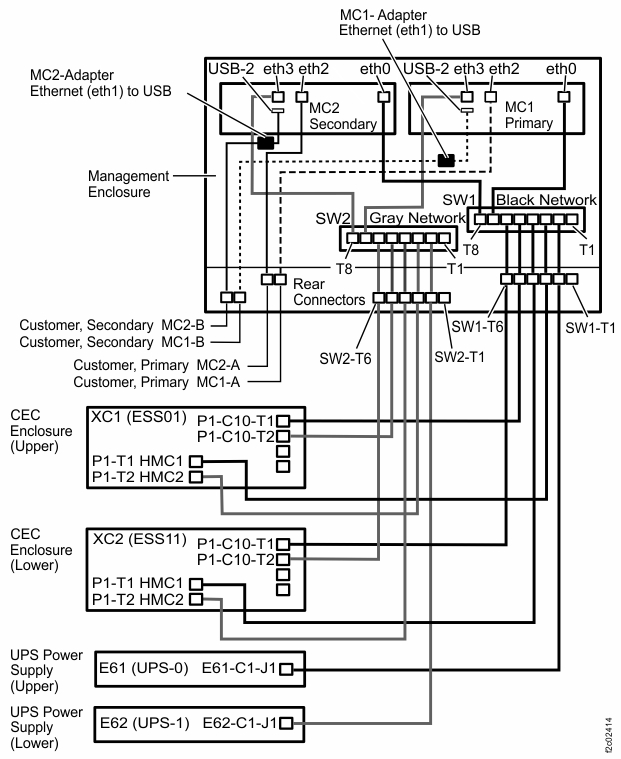
| From SW1 (black) port | To rear interior upper (U) connector | From rear exterior connector | To |
|---|---|---|---|
| SW1-T1 | SW1-T1 | SW1-T1 | None |
| SW1-T2 | SW1-T2 | SW1-T2 | E61-C1-J1 (UPS, upper) |
| SW1-T3 | SW1-T3 | SW1-T3 | P1-T1 (CEC FSP, upper) (managed system port is marked "HMC1") |
| SW1-T4 | SW1-T4 | SW1-T4 | P1-T1 (CEC FSP, lower) (managed system port is marked "HMC1") |
| SW1-T5 | SW1-T5 | SW1-T5 | P1-C10- T1 (CEC LPAR, upper) |
| SW1-T6 | SW1-T6 | SW1-T6 | P1-C10-T1 (CEC LPAR, lower) |
| From SW1 (black) port | To interior management console | ||
| SW1-T7 | MC1 eth0 | ||
| SW1-T8 | MC2 eth0 | ||
| From SW2 (gray) port | To rear interior lower (L) connector | From rear exterior connector | To |
|---|---|---|---|
| SW2-T1 | SW2-T1 | SW2-T1 | None |
| SW2-T2 | SW2-T2 | SW2-T2 | E62-C1-J1 (UPS, lower) |
| SW2-T3 | SW2-T3 | SW2-T3 | P1-T2 (CEC FSP, upper) (managed system port is marked "HMC2") |
| SW2-T4 | SW2-T4 | SW2-T4 | P1-T2 (CEC FSP, lower) (managed system port is marked "HMC2") |
| SW2-T5 | SW2-T5 | SW2-T5 | P1-C10-T2 (CEC LPAR, upper) |
| SW2-T6 | SW2-T6 | SW2-T6 | P1-C10-T2 (CEC LPAR, lower) |
| From SW2 (gray) port | To interior management console | ||
| SW2-T7 | MC1 eth3 | ||
| SW2-T8 | MC2 eth3 | ||